Магазин запчастей для бытовой техники - Arlos
Москва
close
Выберите ваш регион
АбаканАлександровАльметьевскАнгарскАрзамасАрмавирАртемАрхангельскАстраханьАчинскБалаковоБалашихаБеларусьБелгородБердскБерезникиБийскБлаговещенскБратскБрянскВеликий НовгородВидноеВладивостокВладикавказВладимирВолгоградВолгодонскВолжскийВологдаВолховВоркутаВоронежВоскресенскВыборгГатчинаГеленджикГрозныйДедовскДербентДзержинскДзержинскийДимитровградДмитровДолгопрудныйДомодедовоДонецкЕвпаторияЕгорьевскЕкатеринбургЕлецЕссентукиЖелезногорскЖелезнодорожныйЖуковскийЗеленоградЗлатоустИвановоИвантеевкаИжевскИркутскИстраЙошкар-ОлаКазаньКалининградКалугаКаменск-УральскийКамышинКаспийскКемеровоКерчьКировКисловодскКлинКовровКоломнаКомсомольск-на-АмуреКопейскКоролёвКостромаКотельникиКрасногорскКраснодарКраснознаменскКрасноярскКурганКурскКызылЛенинск-КузнецкийЛипецкЛобняЛыткариноЛюберцыМагнитогорскМайкопМалаховкаМахачкалаМиассМоскваМурманскМуромМытищиНабережные ЧелныНазраньНальчикНаро-ФоминскНахабиноНаходкаНевинномысскНефтекамскНефтеюганскНижневартовскНижнекамскНижний НовгородНижний ТагилНовокузнецкНовокуйбышевскНовомосковскНовороссийскНовосибирскНовоуральскНовочебоксарскНовочеркасскНовошахтинскНовый УренгойНогинскНорильскНоябрьскОбнинскОдинцовоОктябрьскийОмскОрелОренбургОрехово-ЗуевоОрскПавловский ПосадПензаПервоуральскПермьПетрозаводскПетропавловск-КамчатскийПодольскПрокопьевскПсковПушкиноПятигорскРаменскоеРеутовРостов-на-ДонуРубцовскРыбинскРязаньСакиСалаватСамараСанкт-ПетербургСаранскСаратовСевастопольСеверодвинскСеверскСергиев ПосадСерпуховСимферопольСмоленскСосновый БорСочиСтавропольСтарый ОсколСтерлитамакСтупиноСургутСызраньСыктывкарТаганрогТамбовТверьТихвинТольяттиТомилиноТомскТроицкТулаТюменьУлан-УдэУльяновскУссурийскУсть-ИлимскУфаУхтаФеодосияФрязиноХабаровскХанты-МансийскХасавюртХимкиЧебоксарыЧелябинскЧереповецЧеркесскЧеховЧитаШахтыЩелковоЭлектростальЭлистаЭнгельсЮжно-СахалинскЯкутскЯлтаЯрославль
  • - бесплатно по РФ
    Автоперезвон. Работает по принципу: Вы позвонили на номер, мы сбрасываем звонок и перезваниваем через 3 секунды.
  • - по Москве
  • 8 (925) 663-83-63

Call-центр

пн-вс: 10:00-19:00

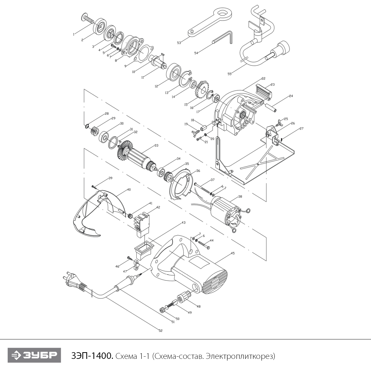
Электроплиткорез ЗЭП-1400

Данная модель имеет несколько схем

NАртикулНазваниеСрок отгрузкиЦенаКупить
T21 U009-620-1RS Подшипник шариковый (32х12х10) U009-620-1RS для ЗЦПБ-370, ЗЭП-600Н, НПГ-М3-1100-С 189 р.
1 UM03-002-002 Болт M8х26 92 р.
1.03 U009-629-RS0 Подшипник шариковый 629-2Z (26х9х8) U009-629-RS0 294 р.
1.20 U009-608-RS0 Подшипник шариковый 608-2RS (22х8х7) U009-608-RS0 для пил ЗПС-850 Э, ЗПТ-210-1300-Л 306 р.
2 UM06-001-004 Кольцо стопорное D11 разжимное UM06-001-004 для ЗДА-9.6-К, ЗНАС-1000 46 р.
2 U516-140-002 Шайба прижимная 94 р.
2.023 U353-110-006 Шпонка сегментная 3х10 U353-110-006 для ПБЦ-370 35П, ЗДУ-580 ЭРКМ2 92 р.
3 U353-115-006 Шпонка сегментная 13x5x4 U353-115-006 для ЗДМ-1200Р, УШМ-180-2005 П 114 р.
3 U516-140-003 Шайба прижимная 94 р.
4 U376-128-041 Сальник D24xd18xh3 179 р.
5 UM01-000-040 Винт M5x20 РН2 #F 92 р.
6 UM04-001-003 Шайба-гровер D5 92 р.
7 UM04-000-003 Шайба D5 #F 92 р.
8 U516-140-008 Фланец 146 р.
9 U376-128-040 Прокладка фланца картонная
10 V000-003-284 Выключатель электромагнитный V000-003-284 для ЗЭП-1100С, ЭП-200-1000Н, СП-620 490 р.
11 U516-140-011 Шпиндель 383 р.
13 UM06-002-001 Кольцо сжимное D32 92 р.
14 U255-120-040 Втулка 189 р.
15 U516-140-015 Шестерня 577 р.
17 U009-606-RS0 Подшипник шариковый 606-2Z (40х17х12) ZXBRS 92 р.
18 U516-140-018 Втулка металлическая
19 U376-128-063 Винт-барашек M6х26 92 р.
20 UM04-001-002 Шайба-гровер D4 92 р.
21 UM01-000-018 Винт M4x14 РН2 92 р.
22 U516-140-022 Промщит 2.905 р.
23 U516-140-023 Решетка вентиляционная
24 U516-140-024 Штифт
25 U516-140-025 Винт-барашек M6х8
26 U516-140-026-C Стол в сборе 965 р.
27 U516-140-027 Винт M5х12
28 UM06-001-016 Кольцо разжимное D7 92 р.
29 U516-140-029 Шестерня 674 р.
31 U516-140-031 Кольцо уплотнительное D29 D26 h3
33 U516-140-033 Ротор 2.905 р.
35 U253-850-031 Втулка подшипника 627 резиновая 92 р.
36 U516-140-036 Защита статора
38 U516-140-038 Статор 1.588 р.
39 UM02-000-065 Саморез 4x20 92 р.
40 U516-140-040 Крышка ручки 383 р.
41 U516-140-041 Пыльник резиновый 94 р.
43 U516-140-043 Пыльник резиновый 61 р.
44 UM01-000-081 Винт M5x28 PH2 92 р.
45 U516-140-045 Корпус статора 965 р.
46 UM02-000-021 Саморез 4x14 PH2 92 р.
47 U253-120-047 Прижим шнура 92 р.
48 U516-140-048 Щеткодержатель 189 р.
49 U376-128-008-W Щетка графитовая (пара) 7х11х14 229 р.
50 U376-128-007 Крышка щеткодержателя D16x7 92 р.
51 U098-004-005 Воротник шнура 92 р.
52 U099-004-006 Шнур сетевой H05RN-F Rubber 2Gх1мм2 2м 189 р.
55С U516-140-055-C Устройство подачи воды в сборе 1.353 р.
56 UM04-002-022 Шайба D16хd6х2 16 р.
57 U103-120-038 Кольцо щеткодержателя 92 р.
58 U376-128-027 Пыльник (кольцо пластиковое) 92 р.
59 U516-140-059 Устройство подачи воды 235 р.
60 U376-128-069 Шланг для подачи воды 92 р.
61 U376-128-070 Переходник 189 р.
Найдено товаров: 58
1
▲ Наверх
0
8 (925) 663-83-63

Call-центр

пн-вс: 10:00-19:00

НАЙТИ ПО МОДЕЛИ
Введите номер заказа
Введите номер своего заказа, что бы узнать его текущий статус.
Что бы получить доступ к расширенным функциям, пройдите не сложную регистрацию. Зарегистрироваться