Магазин запчастей для бытовой техники - Arlos
Москва
close
Выберите ваш регион
АбаканАлександровАльметьевскАнгарскАрзамасАрмавирАртемАрхангельскАстраханьАчинскБалаковоБалашихаБеларусьБелгородБердскБерезникиБийскБлаговещенскБратскБрянскВеликий НовгородВидноеВладивостокВладикавказВладимирВолгоградВолгодонскВолжскийВологдаВолховВоркутаВоронежВоскресенскВыборгГатчинаГеленджикГрозныйДедовскДербентДзержинскДзержинскийДимитровградДмитровДолгопрудныйДомодедовоДонецкЕвпаторияЕгорьевскЕкатеринбургЕлецЕссентукиЖелезногорскЖелезнодорожныйЖуковскийЗеленоградЗлатоустИвановоИвантеевкаИжевскИркутскИстраЙошкар-ОлаКазаньКалининградКалугаКаменск-УральскийКамышинКаспийскКемеровоКерчьКировКисловодскКлинКовровКоломнаКомсомольск-на-АмуреКопейскКоролёвКостромаКотельникиКрасногорскКраснодарКраснознаменскКрасноярскКурганКурскКызылЛенинск-КузнецкийЛипецкЛобняЛыткариноЛюберцыМагнитогорскМайкопМалаховкаМахачкалаМиассМоскваМурманскМуромМытищиНабережные ЧелныНазраньНальчикНаро-ФоминскНахабиноНаходкаНевинномысскНефтекамскНефтеюганскНижневартовскНижнекамскНижний НовгородНижний ТагилНовокузнецкНовокуйбышевскНовомосковскНовороссийскНовосибирскНовоуральскНовочебоксарскНовочеркасскНовошахтинскНовый УренгойНогинскНорильскНоябрьскОбнинскОдинцовоОктябрьскийОмскОрелОренбургОрехово-ЗуевоОрскПавловский ПосадПензаПервоуральскПермьПетрозаводскПетропавловск-КамчатскийПодольскПрокопьевскПсковПушкиноПятигорскРаменскоеРеутовРостов-на-ДонуРубцовскРыбинскРязаньСакиСалаватСамараСанкт-ПетербургСаранскСаратовСевастопольСеверодвинскСеверскСергиев ПосадСерпуховСимферопольСмоленскСосновый БорСочиСтавропольСтарый ОсколСтерлитамакСтупиноСургутСызраньСыктывкарТаганрогТамбовТверьТихвинТольяттиТомилиноТомскТроицкТулаТюменьУлан-УдэУльяновскУссурийскУсть-ИлимскУфаУхтаФеодосияФрязиноХабаровскХанты-МансийскХасавюртХимкиЧебоксарыЧелябинскЧереповецЧеркесскЧеховЧитаШахтыЩелковоЭлектростальЭлистаЭнгельсЮжно-СахалинскЯкутскЯлтаЯрославль
  • - бесплатно по РФ
    Автоперезвон. Работает по принципу: Вы позвонили на номер, мы сбрасываем звонок и перезваниваем через 3 секунды.
  • - по Москве
  • 8 (925) 663-83-63

Call-центр

пн-вс: 10:00-19:00

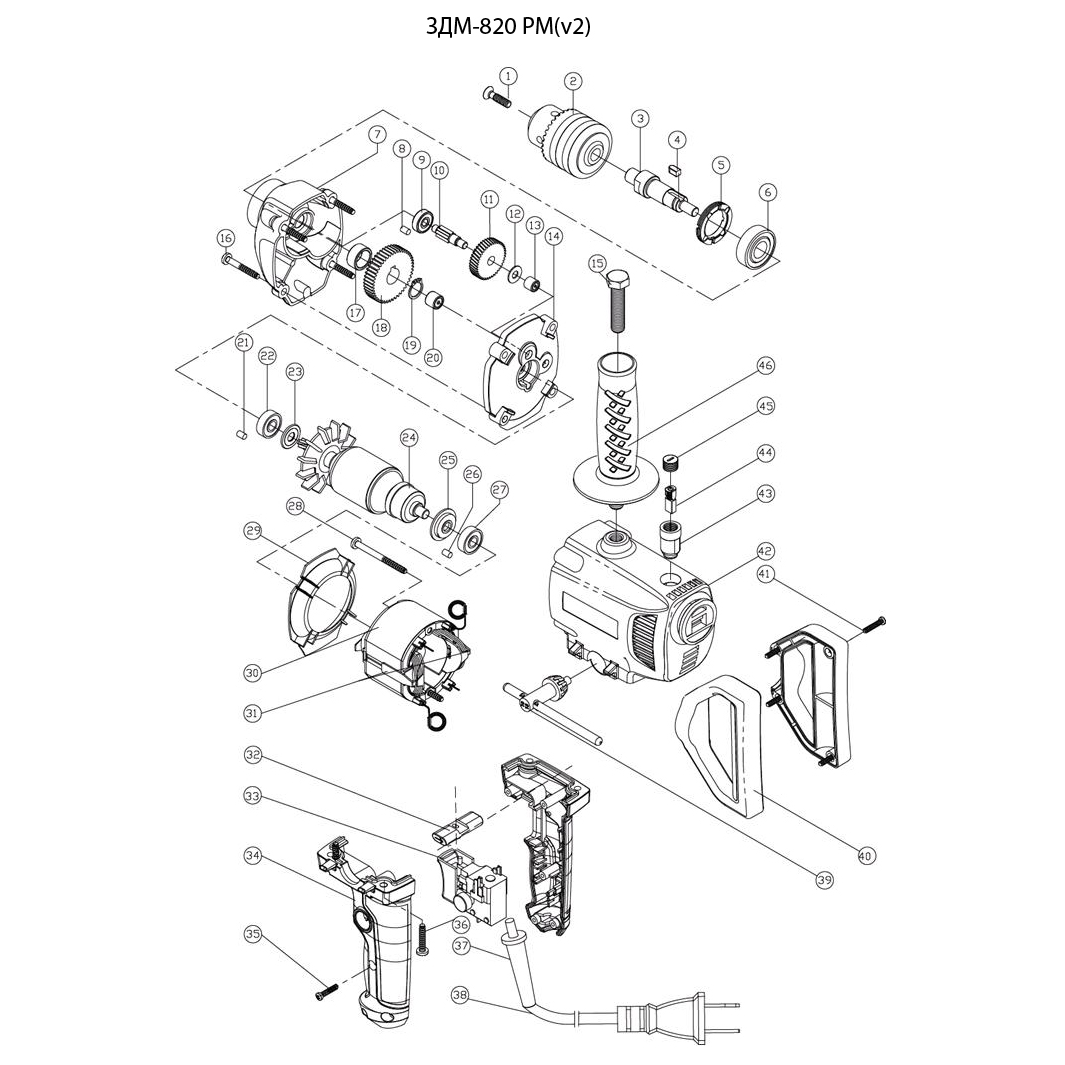
Дрель-миксер ЗДМ-820 РМ

Данная модель имеет несколько схем

NАртикулНазваниеСрок отгрузкиЦенаКупить
1 N000-018-264 Винт M6х30 (Левая резьба) для патрона 12 р.
1.20 U009-608-RS0 Подшипник шариковый 608-2RS (22х8х7) U009-608-RS0 для пил ЗПС-850 Э, ЗПТ-210-1300-Л 306 р.
2 N000-018-265 Патрон
3 N000-018-266 Шпиндель 297 р.
4 N000-018-267 Шпонка
4 U009-626-RS0 Подшипник шариковый 626-2Z (19х6х6) U009-626-RS0 для ДУ-600, ЗДУ-580ЭР 92 р.
5 N000-018-268 Гайка шлицевая, М37 37 р.
6 U009-620-2RS Подшипник шариковый 6202-2RS (35x15x11) n/n 189 р.
7 N000-018-269 Корпус редуктора 473 р.
8 N000-018-270 Втулка резиновая
10 N000-018-271 Промвал 196 р.
10.C N000-018-271-C Промвал в сборе N000-018-271-C для дрели ЗДМ-820 РМ 461 р.
11 N000-018-272 Шестерня промвала 216 р.
12 N000-018-273 Шайба
13 N000-018-274 Подшипник игольчатый BK0609 (10х6х9) JH 58 р.
14 N000-018-275 Промщит 412 р.
15 N000-018-276 Болт M12x50
16 N000-018-277 Винт ST4.9x35
17 N000-018-278 Втулка 37 р.
18 N000-018-279 Шестерня Z=47 402 р.
19 N000-018-280 Шайба D14x1 92 р.
20 U010-081-001 Подшипник игольчатый BK0810 (12х8х10) 189 р.
21 N000-018-281 Втулка резиновая
23 N000-018-282 Прокладка 92 р.
24 N000-018-283 Ротор КДС 1.551 р.
25 N000-018-284 Шайба резиновая 63 р.
26 N000-018-285 Втулка резиновая
28 N000-018-286 Винт ST4.9x55
29 N000-018-287 Крышка
30 N000-018-288 Статор КДС 1.199 р.
31 N000-018-289 Клеммная колодка
32 N000-018-290 Рычаг реверса 26 р.
33 V000-003-274 Выключатель FA2-8/1BE 8(8)A 250V 1.747 р.
34 N000-018-291 Корпус ручки в сборе (2 части) 467 р.
35 N000-018-292 Винт ST3.9x19
36 N000-018-293 Винт ST4.9x25
37 N000-018-294 Воротник шнура
38 N000-018-295 Шнур сетевой
39 N000-018-296 Ключ патрона
40 N000-018-297 Корпус задней ручки 494 р.
41 N000-018-298 Винт ST3.9x19
42 N000-018-299 Корпус
43 N000-018-300 Гильза щеткодержателя 31 р.
44 N000-018-301 Щетка графитовая (пара) N000-018-301 для дрели-миксера ЗДМ-820 РМ 111 р.
45 N000-018-302 Крышка щеткодержателя (пара) D12х8 92 р.
46 N000-018-303 Рукоятка дополнительная
Найдено товаров: 46
1
▲ Наверх
0
8 (925) 663-83-63

Call-центр

пн-вс: 10:00-19:00

НАЙТИ ПО МОДЕЛИ
Введите номер заказа
Введите номер своего заказа, что бы узнать его текущий статус.
Что бы получить доступ к расширенным функциям, пройдите не сложную регистрацию. Зарегистрироваться